Versão deste manual: 1.26
Parabéns, você acaba de adquirir um produto com a qualidade e segurança Intelbras.
O dispositivo SS 1530 MF W e SS 1540 MF W são controladores de acesso com autenticação por reconhecimento facial, cartão RFID 13,56 MHz/QR code, senha e biometria digital (exceto SS 1530 MF W). Com tela sensível ao toque de 4,3”, é prático realizar cadastros e alterar configurações. Pode ser instalado em ambientes internos para liberar portas em geral, através do acionamento de fechaduras elétricas, eletroímãs ou solenoides.
![]() 03957-23-00160 |
Este equipamento não tem direito à proteção contra interferência prejudicial e não pode causar interferência em sistemas devidamente autorizados. Este é um produto homologado pela Anatel, o número de homologação se encontra na etiqueta do produto, para consultas utilize o site: https://sistemas.anatel.gov.br/sch |
Atenção danos causados pelo não cumprimento das recomendações de instalação ou uso inadequado do produto não são cobertos pela garantia. Vide certificado de garantia do produto.
4. Produto
5.2 Fechaduras
5.3 Botão de saída
5.5 Leitor auxiliar biométrico digital
5.7 Módulo inteligente de portaria (MIP 1000 IP)
6. Instalação
7.1 Inicialização do dispositivo
7.2 Tela inicial
7.3 Autenticação
7.4 Menu principal
7.9 USB
7.10 Utilidades
7.11 Eventos
10. Boas práticas para o reconhecimento facial
10.1 Antes do registro
10.2 Durante o registro
| Modelo | SS 1530 MF W | SS 1540 MF W |
|---|---|---|
| Tensão de alimentação | 12 Vdc | 12 Vdc |
| Consumo | 18 W | 18 W |
| Capacidade de chaveamento | 2 A / 30 Vdc | 2 A / 30 Vdc |
| Dimensões (L × A × P) | 118 × 115 × 27,1 mm | 118 × 115 × 27,1 mm |
| Temperatura de operação | -10 °C a 40 °C | -10 °C a 40 °C |
| Umidade de operação | 0 a 90% | 0 a 90% |
| Display | 4,3” sensível ao toque (capacitivo) | 4,3” sensível ao toque (capacitivo) |
| Câmera | 2 MP CMOS IR | 2 MP CMOS RGB |
| Intervalo de reconhecimento facial | Distância até a face: 0,3 m a 1,5 m Altura do usuário: 0,9 m a 2,4 m |
Distância até a face: 0,3 m a 1,5 m Altura do usuário: 0,9 m a 2,4 m |
| Tempo de reconhecimento facial | 0,2s | 0,5s |
| Tempo de reconhecimento digital | - | 0,5s |
| Métodos de autenticação | Reconhecimento facial, senha e cartão/QR code | Reconhecimento facial, biometria digital, senha e cartão/QR code |
| Sensor biométrico digital | Não | Sim |
| Interface de comunicação | RS-485 e Wiegand (Entrada ou Saída) | RS-485 e Wiegand (Entrada ou Saída) |
| Capacidade | ||
| Usuários | 3000 | 3000 |
| Faces | 3000 | 3000 |
| Digitais | - | 5000 |
| Cartões/QR codes | 5000 | 5000 |
| Senhas | 3000 | 3000 |
| Eventos | 300000 | 300000 |
| Wi-Fi | ||
| Antena | Interna | Interna |
| Padrões | IEEE 802.11b, 802.11g, 802.11n | IEEE 802.11b, 802.11g, 802.11n |
| Frequência operacional | 2,4 GHz ~ 2,4835 GHz | 2,4 GHz ~ 2,4835 GHz |
| Largura de banda | Suporta 20 MHz e 40 MHz | Suporta 20 MHz e 40 MHz |
| Protocolo de segurança | 64/128 bit WEP, WPA/WPA2, WPAPSK/WPA2-PSK | 64/128 bit WEP, WPA/WPA2, WPAPSK/WPA2-PSK |
| RFID | ||
| Modulação | ASK | ASK |
| Frequência | 13,56 MHz | 13,56 MHz |
| Taxa de transmissão | 106 a 848 kbps | 106 a 848 kbps |
| Código de emissão | 13M5K2D | 13M5K2D |
| Tipo antena | Interna | Interna |




| Interface de porta (CON1) | ||
|---|---|---|
| Cor | Nome | Descrição |
| Amarelo | 485 - | Sinal 485B ou 485- do barramento RS-485 / Saída B para integração com MIP. |
| Roxo | 485 + | Sinal 485A ou 485+ do barramento RS-485 / Saída A para integração com MIP. |
| Branco | WD1 | Entrada Wiegand D1 (para conectar um leitor auxiliar) / Saída Wiegand D1 (para conectar a outro controlador de acesso). |
| Verde | WD0 | Entrada Wiegand D0 (para conectar um leitor auxiliar) / Saída Wiegand D0 (para conectar a outro controlador de acesso). |
| Preto | GND | Referência para o barramento Wiegand. |
| Marrom | LED | Entrada de alarme. |
| Interface de leitores (CON2) | ||
| Cor | Nome | Descrição |
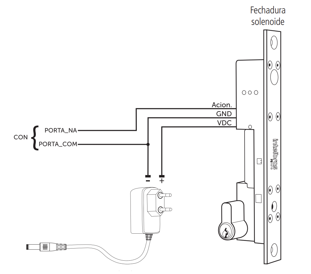
| Preto/Marrom | PORTA_COM | Contato comum do relé de acionamento de liberação de acesso. |
| Preto/Amarelo | PORTA_NA | Contato normalmente aberto do relé de acionamento de liberação de acesso. |
| Preto/Roxo | PORTA_NF | Contato normalmente fechado do relé de acionamento de liberação de acesso. |
| Preto/Azul | GND | Referência para sinal de botão de saída e sensor de porta. |
| Preto/Cinza | SEN | Conexão para sensor de porta. |
| Preto/Verde | BOT | Conexão para botão de saída. |
Conecte a fonte de alimentação ao dispositivo e, em seguida, ligue-a na tomada.
Obs.: Recomenda-se o uso de um nobreak para suprir situações de queda de energia.
Conecte a fechadura eletroímã ao dispositivo conforme o esquema abaixo:
Obs.: caso a fechadura não possua sensor, desconsidere a ligação deste.
Conecte a fechadura elétrica ao dispositivo conforme o esquema abaixo:
Conecte a fechadura solenoide ao dispositivo conforme o esquema abaixo:
Conecte o botão de saída ao dispositivo conforme o esquema abaixo:
Conecte a entrada de alarme ao dispositivo conforme o esquema abaixo:
Conecte o leitor auxiliar biométrico digital ao dispositivo conforme o esquema abaixo:
Conecte o leitor auxiliar Weigand ao dispositivo conforme o esquema abaixo:
Conecte o MIP 1000 IP ao dispositivo conforme o esquema abaixo:

Obs.:Para ativar o funcionamento com o dispositivo MIP 1000 IP, acesse o menu Utilidades > MIP
O dispositivo deve ser instalado a pelo menos 2 m de uma lâmpada e a pelo menos 3 metros de um local onde possa entrar claridade proveniente de raios solares.
Certifique-se que o dispositivo está instalado em um local onde não fique com muita claridade atrás do rosto a ser identificado e a luz do sol não incida diretamente no dispositivo mesmo que passando através de uma janela.
Cenários como os ilustrados na figura abaixo podem afetar o funcionamento do dispositivo.

Obs.: Para garantir a leitura dos usuários conforme as especificações técnicas do item especificações técnicas, recomenda-se instalar o dispositivo a uma altura de 1,4 m.
Ao inicializar o dispositivo pela primeira vez escolha o idioma desejado (English, Português ou español (Latinoamérica)) e após ser selecionado se faz necessário a criação de um usuário administrador. Uma senha e um e-mail são de cadastro obrigatório e devem ser definidos na primeira vez que o controlador de acesso é ativado. O nome de usuário do administrador é admin por padrão. O controlador de acesso não poderá ser utilizado sem a realização desse cadastro.


Nessa tela inicial o usuário é capaz de fazer a autenticação do seu acesso seja através da
face
, biometria digital
cartão
e/ou
senha
como indicado no
canto superior esquerdo. À direita são exibidos os
ícones
de conexão como Ethernet, Wi-Fi
e USB.
Na lateral esquerda o ícone para acesso ao menu principal
,
disponível apenas para o
administrador e usuários com
esse nível de acesso, e o ícone para acesso por senha
.
Quando o SIP estiver habilitado, o ícone
será exibido na tela inicial.
Obs.: O ícone de senha deixa de aparecer no canto superior esquerdo caso estejam ativos os quatro métodos de verificação.
¹ Disponível apenas para o modelo SS 1540 MF W
O usuário pode fazer o desbloqueio da porta por reconhecimento facial, senha e/ou cartão.
Para autenticar-se por reconhecimento facial basta se posicionar em frente ao equipamento de maneira que o rosto esteja sendo exibido e enquadrado na tela. Um sinal visual é exibido na tela e, de forma opcional, pode haver uma sinalização sonora.
Para autenticar por senha é preciso acessar o menu Senha
.
No menu Senha duas opções são apresentadas ao usuário: Senha e senha mestra.
Na opção Senha o usuário poderá autenticar-se utilizando sua ID de usuário e senha cadastrados.
A opção Senha Mestre não está relacionada a um usuário específico e necessita ser habilitada pelo administrador do sistema. A Senha Mestre irá destravar a porta independentemente dos modos de autenticação ativos, zonas de tempo, feriados e regras de anti-passback configurados para os usuários, não se aplicando a períodos de tempo definidos diretamente para o estado de porta do dispositivo.
A verificação acontece ao passar o cartão na área indicada.
No menu principal pode-se cadastrar usuários, alterar configurações de acesso, conexão e sistema, verificar a capacidade do dispositivo etc.
Para acessar o menu principal se faz necessário autenticar-se como administrador. Essa autenticação pode ser através da face, cartão, senha de usuário ou ainda através da senha cadastrada na inicialização do equipamento.
Na tela inicial, abra o menu principal através do ícone
Se esse for o primeiro acesso ao menu principal, selecione a opção Admin e digite a senha cadastrada na inicialização do dispositivo.
Menu principal
Métodos de autenticação do menu principal¹
¹ Autenticar-se como administrador com biometria digital disponível apenas para o modelo SS 1540 MF W
O menu Usuário oferece opção para cadastro de um novo usuário, visualizar e editar lista de usuários e lista de administradores, além de habilitar/desabilitar ou modificar a senha mestra.
Essa opção está disponível apenas para o modelo SS 1540 MF W.
É possível acessar a lista de usuários, lista de usuários administradores e editar suas informações dentro do menu Usuários.
Apresenta a lista de usuários por ordem de cadastro. Não lista os usuários definidos como administradores, ver subseção seguinte. Ao selecionar um usuário é possível editar informações de acesso, exceto o número da ID do usuário.
Apresenta apenas a lista de usuários definidos com permissão de administradores (Admin). Ao selecionar um usuário é possível editar informações de acesso, exceto o número da ID do usuário.
Nessa opção do menu é possível ativar e desativar a função Senha mestra, bem como criar e alterar essa senha.
A opção Senha mestra não está relacionada a um usuário específico e irá destravar a porta independente dos modos de autenticação ativos, zona de tempo, feriados e regras de anti-passback.
As zonas de tempos servem para restringir ou liberar grupos específicos de usuários em dias e horários da semana. O mesmo pode ocorrer ao cadastrar um feriado.
Ao atribuir uma zona de tempo neste campo, a porta permanecerá aberta durante os períodos especificados na zona de tempo configuradas via web.
Ao atribuir uma zona de tempo neste campo, a porta permanecerá fechada durante os períodos especificados e não poderá ser desbloqueada na zona de tempo configuradas via web.
Na verificação remota, sendo apresentada uma credencial válida, é enviada uma mensagem ao software de gerenciamento solicitando a liberação do acesso. Se confirmado, a porta abre, do contrário nada é exibido ao usuário. Após definir a zona de tempo que funcionará nesse modo é necessário ativá-la.
¹Função não disponível no software Incontrol Web. Verifique junto ao manual do software que você usa, se há suporte para esta função
Obs.: A integração de alarme do dispositivo e sua configuração (relé de acionamento, evento ou alarme sonoro) requer uso de software.
Define o tempo de acionamento do relé de abertura, por padrão 3 segundos.
Através do menu Conexão é possível gerenciar conexões de rede e da porta serial.
Caso seja utilizado outro método de autenticação que não um cartão/tag/QRCode, envia como credencial dados baseado no primeiro número do cartão do usuário a qual àquela credencial pertence.
Caso essa opção esteja habilitada e o relé externo não esteja conectado, ou não responda, o dispositivo retornará acesso negado mesmo que sejam apresentadas credenciais válidas.
Para verificar o esquema de ligação, consulte o manual do produto XR 2201
Para alterar informações de data e hora como ajustar data, formato de data, ajustar hora, horário de verão, serviço NTP e fuso horário, acesse Sistema > Data e hora.
Obs: Para utilizar a opção bloquear usuários sem máscara, será aceito apenas o método de autenticação facial. Na opção alertar, o alerta será dado a todos os usuários que utilizarem métodos alternativos ao reconhecimento facial.
Utilize as teclas + e – para ajustar o volume do equipamento.
As linguagens inglês, espanhol e português estão disponíveis.
Obs.: É necessário reinicializar o dispositivo.
Utilize as teclas + e – para ajustar a intensidade da luz infravermelha. Quanto maior o valor atribuído, mais intensa será a emissão da luz infravermelha.
Obs.: Ao detectar movimentação o dispositivo retorna a tela de verificação automaticamente.
Dados serão perdidos ao selecionar restaurar padrões de fábrica.
As configurações de IP não são alteradas ao restaurar os padrões de fábrica.
Após selecionar a opção desejada, confirme sua escolha.
Selecione Sistema > Reiniciar e confirme para que o dispositivo seja reiniciado.
Atenção: Verifique se o dispositivo de armazenamento USB está corretamente inserido antes de exportar/importar dados de usuário ou atualizar o produto. Nunca remova o dispositivo de armazenamento USB enquanto faz a exportação/importação ou atualização do produto. Do contrário a operação falhará. É necessário exportar as informações de um controlador de acesso antes de importar essas configurações em outro produto.
A porta USB também pode ser utilizada para atualização de firmware.
Para exportar dados do dispositivo selecione USB > Exportar.
Selecione os dados que deseja exportar e confirme. O administrador pode optar por exportar os usuários, os dados faciais, cartões, impressões digitais (quando houver), eventos ou todas as opções anterior selecionando a opção Todos.
Obs.: O dispositivo de armazenamento deve estar formatado em FAT32.
Para importar dados para o dispositivo selecione USB > Importar.
Selecione os dados que deseja importar e confirme. É possível importar usuários, dados da face, cartão e impressão digital que tenham sido exportados de outro dispositivo. Também é possível importar fotos em formato JPG, onde o nome do arquivo deve ser a ID do usuário. Caso a ID do usuário não exista, uma será criada com a foto disponível. Consulte a seção 10 para mais informações sobre os requisitos das fotos.
Para atualizar através de um dispositivo de armazenamento USB renomeie o arquivo de atualização para update.bin e salve esse arquivo na raiz do dispositivo USB.
Para atualizar selecione USB > Atualizar e confirme
Ou, com o controlador de acesso desligado, conecte o dispositivo de armazenamento na porta USB e ligue o equipamento. A atualização iniciará automaticamente.
Nesse menu estão as configurações de segurança, opção para inverter o código recebido na entrada Wiegand, configurar tipo do sensor de porta e o resultado do feedback.
O sensor de porta pode ser configurado como NA ou NF.
Ao habilitar essa opção, o dispositivo utilizará a porta RS-485 para se comunicar com o dispositivo MIP 1000. Verifique na seção sobre o Módulo Inteligente de Portaria (MIP 1000 IP) como realizar a ligação dos dispositivos. Para mais informações de operação e cadastro, consulte o manual de usuário do MIP 1000.
No menu Eventos é possível visualizar todos os eventos de acesso. É possível fazer busca por ID de usuário ao acessar o ícone de lupa no lado superior direito.
Em informações do sistema é possível consultar a capacidade de armazenamento do dispositivo, número de série, versão de software, versão de firmware e endereço MAC.
O controlador de acesso pode ser configurado e operado na web. Através da web, é possível definir parâmetros de rede e de vídeo de acesso
A interface web pode ser utilizada para a atualização do sistema.
Importante: O gerenciamento de usuários só pode ser feito diretamente no dispositivo ou com o auxílio de software, não é possível realizar cadastros de usuário ou exportar/importar dados de usuários através da interface web.
Acesse o site para acessar o manual da interface web para os controladores SS 1530/1540 MF W
Caso não se tenha mais a senha do administrador e/ou acesso ao e-mail cadastrado na inicialização do dispositivo, pode-se realizar uma restauração através do hardware. Para isso, siga as etapas listadas abaixo.
Obs.: todas as configurações são restauradas, exceto usuários e eventos. Usuários que tinham privilégio de administrador também são mantidos, restaurando apenas a senha de administrador que é cadastrada durante a inicialização do equipamento.
Você pode registrar faces através do controlador de acesso ou através do software. Para registro através do software, consulte o manual do usuário do software. Posicione sua cabeça na moldura de captura de fotos. Uma foto do seu rosto será capturada automaticamente.
Siga as seguintes orientações para melhor performance do reconhecimento facial.
Quando importar as fotos de usuários - seja através da porta USB ou utilizando um software de gestão de controle de acesso compatível - recomenda-se a utilização de imagens com resolução superior a 500 × 500 pixels (L × A)¹, onde o rosto não deve ocupar mais de 2/3 da área total da imagem. No caso de bases de dados pré-existente, atente-se para as resoluções mínima e máxima:
Para todos os casos, o tamanho máximo do arquivo deve ser inferior a 100 KB e estar no formato JPG.
¹ A altura não deve exceder duas vezes a largura. Por exemplo, se largura for 300 pixels, então a altura poderá ser igual ou inferior a 600 pixels
Esta seção se destina somente ao modelo SS 1540 MF W.
Fica expresso que esta garantia contratual é conferida mediante as seguintes condições:
Nome do cliente:
Assinatura do cliente:
Nº da nota fiscal:
Data da compra:
| Modelo: | Nº de série: |
Revendedor:
Sendo estas as condições deste Termo de Garantia complementar, a Intelbras S/A se reserva o direito de alterar as características gerais, técnicas e estéticas de seus produtos sem aviso prévio. Todas as imagens deste manual são ilustrativas.
Suporte a clientes: (48) 2106 0006
Fórum: forum.intelbras.com.br
Suporte via chat: chat.apps.intelbras.com.br
Suporte via e-mail: suporte@intelbras.com.br
Treinamentos - iTEC: cursos.intelbras.com.br
SAC: 0800 7042767
Onde comprar? Quem instala?: 0800 7245115
Importado por: Intelbras S/A – Indústria de Telecomunicação Eletrônica Brasileira
Rodovia SC 281, km 4,5 – Sertão do Maruim – São José/SC - 88122-001